桂林市邁特光學儀器有限公司
Guilin Microtech Optical Instrument Co., Ltd. (MTO)
中文丨ENGLISH
產品搜索
請選擇產品類別
請選擇具體產品
● 運用專利技術設計
● 長工作距離,大景深,大變倍比
● 三目主機可接CCD(CMOS)攝像頭,數碼相機
● 多種倍率目鏡、分劃目鏡和大物鏡可選
● 可配各種底座和萬能支架, LED環形燈、環形熒光燈、光纖等多種照明
● 廣泛用于學校、生物工程和科學研究、工業裝配、測試測量以及品質控制
放大倍率
總放大倍率6X~55X(標準配置),可擴充最大總放大倍率330X
變倍比
0.6X~5.5X連續變倍鏡體,變倍比為9.2:1
目鏡
SWH10X高眼點超廣角目鏡,視場Φ23mm
鏡筒
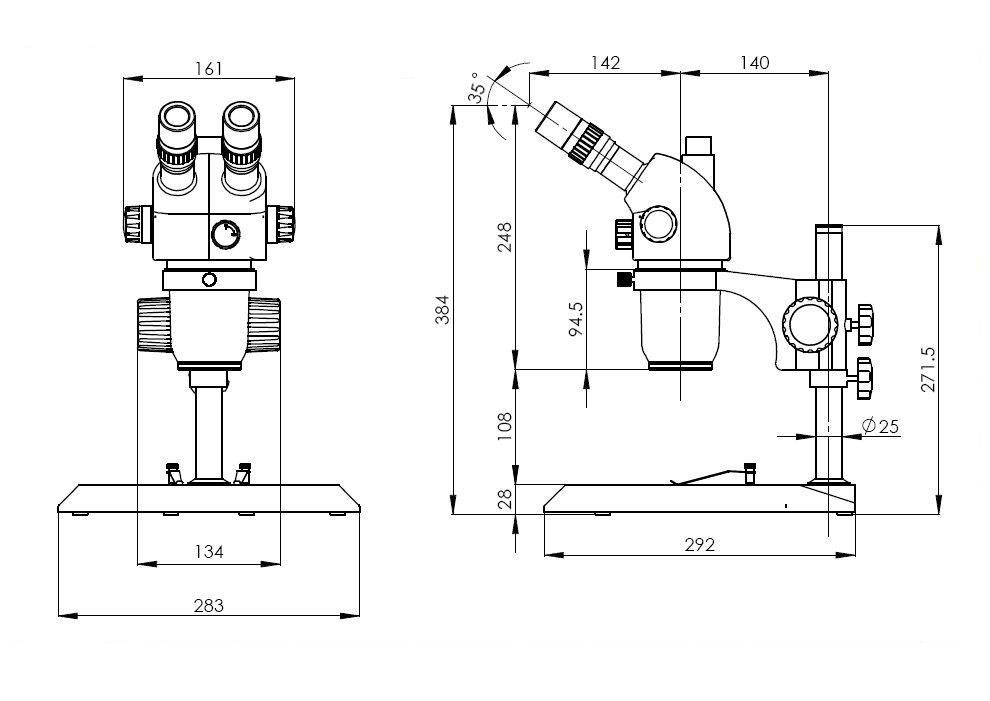
傾斜35°/ Inclined 35°
工作距離
108mm
調焦范圍
50mm(方立柱時為100mm)
瞳距調節范圍(用10X目鏡)
52mm~76mm
視度調節范圍
±6屈光度
支架與主機配合尺寸
Φ76mm
立柱中心到支架中心尺寸
140mm
圓立柱尺寸
Φ25mm
中心工作臺直徑
Φ95mm
光源
可配熒光燈透射照明(5W),鹵鎢燈反射照明(6V、10W可調)
項目
主機
不同附加物鏡參數
0.37X
0.5X
0.7X
1.5X
2X
10X
總放大倍率
6X~55X
2.22X~20.4X
3X~27.5X
4.2X~38.5X
9X~82.5X
12X~110X
視場直徑
Φ38.3~Φ4.2
Φ99.1~Φ10.8
Φ76.7~Φ8.4
Φ54.8~Φ6
Φ25.6~Φ2.8
Φ19.2~Φ2.1
15X
3.33X~30.5X
4.5X~41.25X
6.3X~57.75X
13.5X~123.75X
18X~165X
Φ28.3~Φ3.1
Φ76.6~Φ8.35
Φ56.7~Φ6.2
Φ40.5~Φ4.4
Φ18.9~Φ2.1
Φ14.2~Φ1.5
20X
4.44X~40.7X
8.4X~77X
24X~220X
Φ23.3~Φ2.5
Φ63.1~Φ6.9
Φ46.7~Φ5.1
Φ33.3~Φ3.6
Φ15.6~Φ1.7
Φ11.7~Φ1.3
30X
6.66X~61.1X
12.6X~115.5X
27X~247.5X
36X~330X
Φ15~Φ1.6
Φ30~Φ3.3
Φ21.4~Φ2.3
Φ10~Φ1.1
Φ7.5~Φ0.8
108
275
195
145
50
35
注 : 1. 使用0.37X物鏡時,需使用加長圓立柱,不能使用方立柱底座組。 2. 使用0.5X以下倍率的物鏡時,不能使用方立柱底座組。
底座組 SD1~SD18 萬能支架 U1, U2, U3, U4, U1c, U2c, U3c 目鏡 SWH10X, SWF15X, SWF20X, SWF30X 分劃目鏡 SWH10X-CM0.1XY SWF15X-CM0.05XY SWF20X-CM0.05XY 附加物鏡 W0.37, W0.5, W0.7, W1.5, W2.0 CCD接頭 C0.3-S、C0.5-S、C1.0-S 數碼相機接頭 DT01 顯微攝影裝置 PT02 1X帶測微尺CCD接頭 CDM1.0 注:使用時,需與CCD接頭配合使用。 輔助光源 ML01, ML02, MLR60, LGY-150Ω 機械載物臺 S7665, S10086 注:載物臺如需安裝在我司底座上時,請提前說明,底座需特殊訂做——增加螺釘孔。
底座組
SD1~SD18
萬能支架
U1, U2, U3, U4, U1c, U2c, U3c
SWH10X, SWF15X, SWF20X, SWF30X
分劃目鏡
SWH10X-CM0.1XY SWF15X-CM0.05XY SWF20X-CM0.05XY
附加物鏡
W0.37, W0.5, W0.7, W1.5, W2.0
CCD接頭
C0.3-S、C0.5-S、C1.0-S
數碼相機接頭
DT01
顯微攝影裝置
PT02
1X帶測微尺CCD接頭
CDM1.0
注:使用時,需與CCD接頭配合使用。
輔助光源
ML01, ML02, MLR60, LGY-150Ω
機械載物臺
S7665, S10086
注:載物臺如需安裝在我司底座上時,請提前說明,底座需特殊訂做——增加螺釘孔。
公司簡介
企業文化
榮譽認證
總裁致辭
新產品
單筒
多功能連續變倍視頻顯微一體機
體視
MTV機器視覺系列
附件匯總
其它產品
定制鏡頭
體視顯微鏡
單筒視頻顯微系統
微電子精密成像
自動化設備
工業相機、智能機器人
生物、醫療
教育、科研
環保、材料、公安刑偵
新聞信息
招賢納士
下載資料
0773-5823609/5812510/2673200
http://www.jinqiaoapartmenthotel.cn
桂林市高新區信息產業園D-3號
[手機官方網站]
[邁特官方微信]
聯系我們丨在線地圖